Home
About Us
Products
BNG CONTAINER TWIST LOCKS
LANDING GEARS
BNG LANDING GEARS
SAF LANDING GEARS
ELECTRIC LIGHT SETS
KING PINS
SAF KING PINS
BNG KING PINS
PLASTIC COMPONENTS
EBS BRAKE SETS
KÖNİGER SPRİNGS
AGRICULTURAL SPRINGS
TRAILER SPRINGS
OEM AFTERMARKET
Contact
home
Products
EBS BRAKE SETS
HALDEX EBS
HALDEX EBS
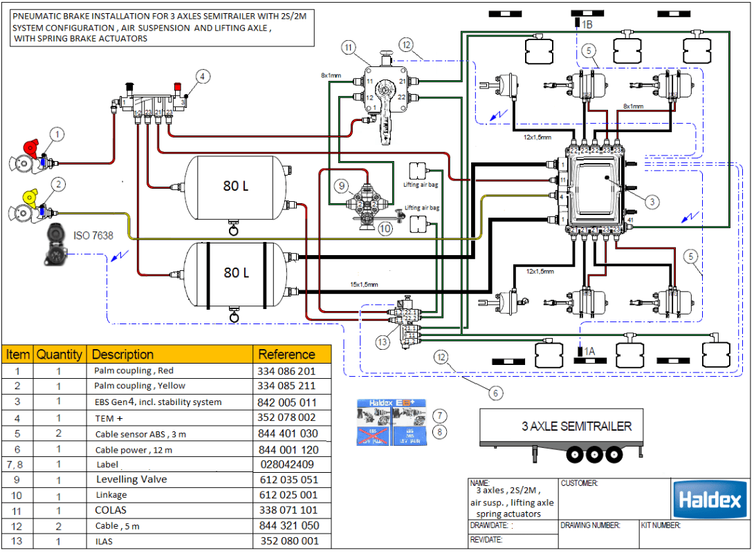
HALDEX 2S/2M EBS
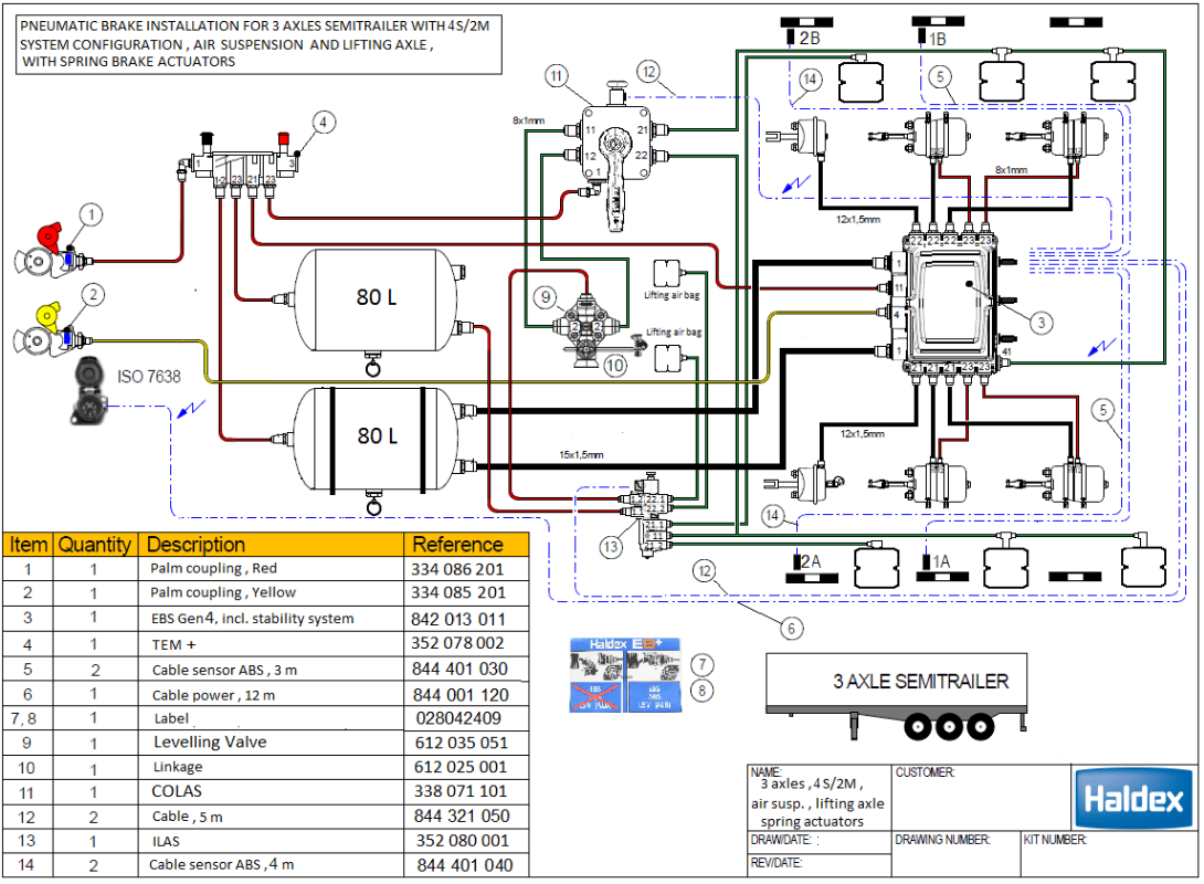
HALDEX 4S/2M EBS